• ANGEBOTE (61)
  • KATALOGE

  • WEISSBUECHER

  • MITTEILUNGEN

  • Empfohlene Angebote
  • Keine Treffer. Meinten Sie?
  • Empfohlene Kategorien
  • Keine Treffer. Meinten Sie?
  • Empfohlene Unternehmen
  • Keine Treffer. Meinten Sie?
  • Empfohlene Angebote
  • Keine Treffer. Meinten Sie?
  • Empfohlene Kategorien
  • Keine Treffer. Meinten Sie?
  • Empfohlene Unternehmen
  • Keine Treffer. Meinten Sie?
Aussteller werden
Hilfe
Mein Konto

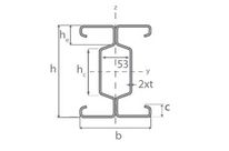
SIGMA - SIGMA-plus profile

Industriebau

Angebot anfordern Erhalten Dokumentation Kontaktieren Sie den Lieferanten

Diese Sadef Sigma and Sigma-plus Komponente können sowohl im Hausbau wie auch im Industriebau eingesetzt werden.

Die Sadef Sigma and Sigma-plus Querschnitte sind die bestmögliche Lösung für Baukomponenten. Die Kombination einer optimalen Querschnittsgeometrie und einer optimalen Stahlgüte resultiert in ein optimales Gewicht/ Widerstand Verhältnis. Die Praxis zeigt dass Gewichtseinsparungen bis zu 50% möglich werden im Vergleich mit den klassischen Warmgewalzten Langprodukten.

Die Sadef Profile werden - einbaufertig auf der Baustelle geliefert, d.h. die Profile sind alle vorgelocht mit den geeigneten Rundlöchern oder sonstigen Ausschnitten .
Die Hilfsteile wie Pfettenhalter, Zugstangen oder Schlauder werden mitgeliefert als Standardkomponenten.

UNTER DEN PRODUKTEN INDUSTRIEBAU VON voestalpine Sadef

CEE - CEE-plus profile

CEE - CEE-plus profile

Angebot anfordern
IS -plus profile

IS -plus profile

Angebot anfordern
ZED profile

ZED profile

Angebot anfordern
Decken Systeme

Decken Systeme

Angebot anfordern
Wandsysteme

Wandsysteme

Angebot anfordern
Spezialprofile: 3D biegen

Spezialprofile: 3D biegen

Angebot anfordern

Überprüfen Sie alle Produkte von industriebau von VOESTALPINE SADEF

Das sollten Sie auch sehen

Isolation, Dämmung Gerüst, Baustrukturen Bedachung Dichtung Rohbaumaterial und -geräte Industrieboden Mineraldämmstoffe Glaswolle

KÄufer

Finden Sie Ihre Zulieferer Stellen Sie Ihre Anfrage und lassen Sie dann unsere Teams für Sie die besten verfügbaren Angebote finden.

Lieferanten

Finden Sie ihre zukünftigen Kunden Listen Sie Ihre Produkte und Dienstleistungen, um Ihre Internetpräsenz zu verbessern und erhalten Sie qualifizierte Anfragen.